
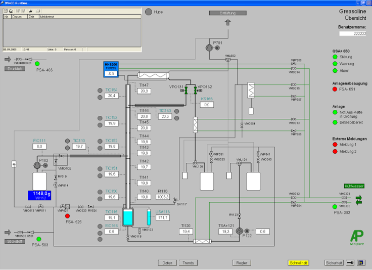
Diese Destillationsanlage besteht aus einer Edelstahlkolonne DN30, die Temperaturen von bis zu 350 °C ermöglicht und für Vakuumbedingungen geeignet ist. Durch das vollständig eingehauste Design und permanente Gasüberwachung erlaubt die DN30 Destillationskolonne den Betrieb mit toxischen oder explosiven Gasen. Die Anlage ist vollständig automatisiert und verfügt über ein industrielles Kontrollsystem, das einen reibungslosen und sicheren Betrieb gewährleistet.
Merkmale:
- DN30 Destillationskolonne aus Edelstahl.
- Temperaturen bis zu 350 °C, Vakuumbetrieb möglich.
- Einhausung und Überwachung von toxischen oder explosiven Gasen.
- Industrielles Steuerungssystem: Vollständig automatisiert.
Technische Spezifikation
| Beschreibung | Einheit | Wert |
|---|---|---|
| Abmessungen B x T x H | mm | 1705 x 800 x 3305 |
| Gewicht | kg | 640 |
| Elektrischer Anschluss | 3 x N/PE 230/400V AC, 50Hz, 17,5 kW | |
| Umgebungsbedingungen | °C | 10 bis 40 °C Max. Luftfeuchtigkeit < 80 % |
| Druckbedingungen | bar | -1 bis 0,4 |
| Temperatur-Bedingungen | °C | bis zu 350 |
| Fördermenge | l/h | 10 |
| Elektrische Leistung Verdampfer | kW | 4 |
| Volumen des Verdampfers | l | 2 |
| Überwachung des Verdampferfüllstands | Füllstandsmessung, Raster 15 mm |



